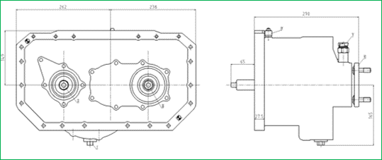
定轴式-4S214同步器型四档变速器
产品简介:适用于城市物流车、公交车
•双动力输入:一根输入轴控制1、3挡 一根输入轴控制2、4挡,节省了整车布置空间,降低了系统重量,节约成 本。
•相邻挡位耦合:一根输入轴提供转速、转矩模式,单一挡位动力不足则另一 输入轴介入提供纯转矩模式,从而提供整车所需动力。换挡时动力不中断,提高换挡平顺性。
•轻量化设计
适应于城市物流车、公交车。


|
主要技术参数 |
|
|
变速器型号 |
4S214/AMT |
|
额定输入扭矩 |
315N.m |
|
质量(不含附加装置及油) |
46kg |
|
润滑油等级 |
SAE80W/90 orAPI-GL-4 |
|
润滑油量 |
3.5L |
|
安装方式 |
立式、左卧、右卧 |
|
档位 |
一档 |
二档 |
三档 |
四档 |
|
直接档 |
3.89 |
2.17 |
1.3 |
1.03 |


渝ICP备08002172号