EN

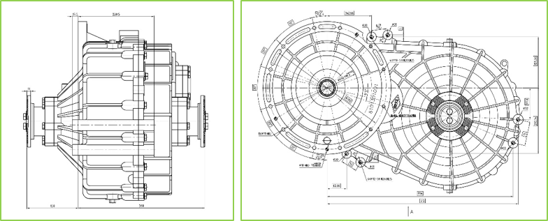
轮边减速器- ER1010轮边电机驱动桥中置减速器

产品简介:

适用于轮边电机驱动新能源客车

•体积小、安装距离短,节省整车空间。

 

•双级斜齿轮传动,结构简单可靠性高。

 

•轴承、油封采用进口件,高可靠性。

 

•适用于纯电动力系统,大中型客车纯电中置动力系统及城市物流车等。

 

 

 

 

主要技术参数

减速器型号

ER1010

额定输入扭矩

1000N.m

质量(不含附加装置及油)

108kg

润滑油等级

SAE80W/90 orAPI-GL-4

润滑油量

4L

安装方式

右卧

 

 

档位

一档

传动比

16

友情链接 ×