6TS1200
产品简介:单中间轴同步器型机械变速器

| 型号 | 6TS1200 | ||||||
| 技术类型 | 单中间轴同步器型机械变速器 | ||||||
| 档位数 | 6前进档,1倒档 | ||||||
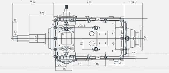
| 安装长度(不含离合器)mm | 620 | ||||||
| 最大输入扭矩N.m | 1200 | ||||||
| 润滑油量L | 13 | ||||||
| 中心距mm | 154 | ||||||
| 重量KG | 225 | ||||||
| 最大适用载重T | 32 | ||||||
| 适用发动机输入功率KW | 150-270 | ||||||
| 可选配的附加装置 | 手制动器 | 取力器 | 分动器 | ||||
| 操纵型式 | 手动直接 | 手动远距离 | EPS | ||||
| 推荐配置离合器壳 | SAE1# | ||||||
| 适用排放标准 | 国5 | 国4 | |||||
| 适配车型 | 自卸车、载重车、起重机等 | ||||||
| 档位及传动比 | |||||||||||||
| 一 档 | 二 档 | 三 档 | 四 档 | 五 档 | 六 档 | 倒 档 | |||||||
| L | H | L | H | L | H | L | H | L | H | L | H | L | H |
| 9.01 | 5.24 | 3.22 | 2.20 | 1.50 | 1.00 | 8.30 | |||||||
| 7.03 | 4.09 | 2.45 | 1.50 | 1.00 | 0.81 | 6.48 | |||||||


渝ICP备08002172号